Магазин запчастей для бытовой техники - Arlos
Москва
close
Выберите ваш регион
АбаканАлександровАльметьевскАнгарскАрзамасАрмавирАртемАрхангельскАстраханьАчинскБалаковоБалашихаБеларусьБелгородБердскБерезникиБийскБлаговещенскБратскБрянскВеликий НовгородВидноеВладивостокВладикавказВладимирВолгоградВолгодонскВолжскийВологдаВолховВоркутаВоронежВоскресенскВыборгГатчинаГеленджикГрозныйДедовскДербентДзержинскДзержинскийДимитровградДмитровДолгопрудныйДомодедовоДонецкЕвпаторияЕгорьевскЕкатеринбургЕлецЕссентукиЖелезногорскЖелезнодорожныйЖуковскийЗеленоградЗлатоустИвановоИвантеевкаИжевскИркутскИстраЙошкар-ОлаКазаньКалининградКалугаКаменск-УральскийКамышинКаспийскКемеровоКерчьКировКисловодскКлинКовровКоломнаКомсомольск-на-АмуреКопейскКоролёвКостромаКотельникиКрасногорскКраснодарКраснознаменскКрасноярскКурганКурскКызылЛенинск-КузнецкийЛипецкЛобняЛыткариноЛюберцыМагнитогорскМайкопМалаховкаМахачкалаМиассМоскваМурманскМуромМытищиНабережные ЧелныНазраньНальчикНаро-ФоминскНахабиноНаходкаНевинномысскНефтекамскНефтеюганскНижневартовскНижнекамскНижний НовгородНижний ТагилНовокузнецкНовокуйбышевскНовомосковскНовороссийскНовосибирскНовоуральскНовочебоксарскНовочеркасскНовошахтинскНовый УренгойНогинскНорильскНоябрьскОбнинскОдинцовоОктябрьскийОмскОрелОренбургОрехово-ЗуевоОрскПавловский ПосадПензаПервоуральскПермьПетрозаводскПетропавловск-КамчатскийПодольскПрокопьевскПсковПушкиноПятигорскРаменскоеРеутовРостов-на-ДонуРубцовскРыбинскРязаньСакиСалаватСамараСанкт-ПетербургСаранскСаратовСевастопольСеверодвинскСеверскСергиев ПосадСерпуховСимферопольСмоленскСосновый БорСочиСтавропольСтарый ОсколСтерлитамакСтупиноСургутСызраньСыктывкарТаганрогТамбовТверьТихвинТольяттиТомилиноТомскТроицкТулаТюменьУлан-УдэУльяновскУссурийскУсть-ИлимскУфаУхтаФеодосияФрязиноХабаровскХанты-МансийскХасавюртХимкиЧебоксарыЧелябинскЧереповецЧеркесскЧеховЧитаШахтыЩелковоЭлектростальЭлистаЭнгельсЮжно-СахалинскЯкутскЯлтаЯрославль
  • - бесплатно по РФ
    Автоперезвон. Работает по принципу: Вы позвонили на номер, мы сбрасываем звонок и перезваниваем через 3 секунды.
  • - по Москве
  • 8 (925) 663-83-63

Call-центр

пн-вс: 10:00-19:00

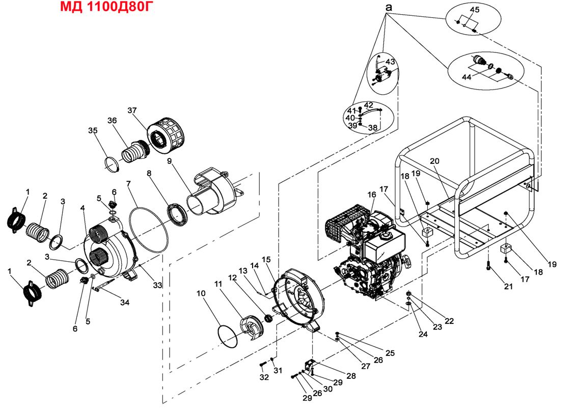
ЗАПЧАСТИ ДЛЯ МОТОПОМПЫ ДИЗЕЛЬНОЙ ELITECH МД 1100 Д 80 Г

NАртикулНазваниеСрок отгрузкиЦенаКупить
1 0200.102900 Хомут HL80TPC-02202 МД1000Д80 471 р.
2 0200.102950 Трубка соединительная HL80TPC-02203 МД1000Д80 184 р.
3 0200.103000 Прокладка резиновая трубки соед. HL80TPC-02204. МД 1100Д80. СМ.0200.105500 41 р.
4 0200.103050 Корпус насоса 4.186 р.
5 0200.103100 Прокладка пробки HL80TPC-02101 МД1000Д80, item 5 23 р.
6 0200.103150 Пробка HL80TPC-02102 МД1000Д80 31 р.
7 0200.103200 Кольцо уплотнительное 3452.1-2680350МД1000Д80 138 р.
8 0200.103250 Клапан обратный HL80TPC-02205 МД1000Д80 327 р.
9 0200.103300 Диффузор 3.860 р.
10 0200.103350 Прокладка резиновая HL80TPC-02103 МД1000Д80 79 р.
11 0200.103400 Колесо рабочее 1.322 р.
12 0200.103450 Сальник 1.829 р.
13 0200.103500 Штифт направляющий 5х30 мм
14 0200.103550 Штифт направляющий 5х20 мм
15 0200.103600 Крышка насоса 5.285 р.
16 0200.103650 Двигатель дизельный 178FA HL178FAP1 МД1100Д 80Г 50.522 р.
17 0200.103700 Болт M8х25 мм
18 0200.103750 Амортизатор 45х35х30 HL50C-04001 МД1000Д80 58 р.
19 0200.103800 Гайка M8
20 0200.103850 Рама
21 0200.103900 Болт M10х45 мм
22 0200.103950 Гайка M10
23 0200.104000 Шайба пружинная D.10 мм
24 0200.104050 Шайба плоская D.10 мм
25 0200.104100 Гайка M8
26 0200.104150 Шайба пружинная D.8 мм
27 0200.104200 Шайба большая 8 мм
28 0200.104250 Кронштейн
29 0200.104300 Болт M8х25 мм
30 0200.104350 Шайба плоская D.8 мм
31 0200.104400 Шайба D.8 мм (алюминиевая)
32 0200.104450 Болт M8х35 мм
33 0200.104500 Кольцо уплотнительное 10 р.
34 0200.104550 Болт специальный M6х140 мм 195 р.
35 0200.104600 Хомут
36 0200.104650 Штуцер фильтра HL80TPC-02411 215 р.
37 0200.104700 Сетка фильтра HL80TPC-02412 1.776 р.
Найдено товаров: 37
1
▲ Наверх
0
8 (925) 663-83-63

Call-центр

пн-вс: 10:00-19:00

НАЙТИ ПО МОДЕЛИ
Введите номер заказа
Введите номер своего заказа, что бы узнать его текущий статус.
Что бы получить доступ к расширенным функциям, пройдите не сложную регистрацию. Зарегистрироваться