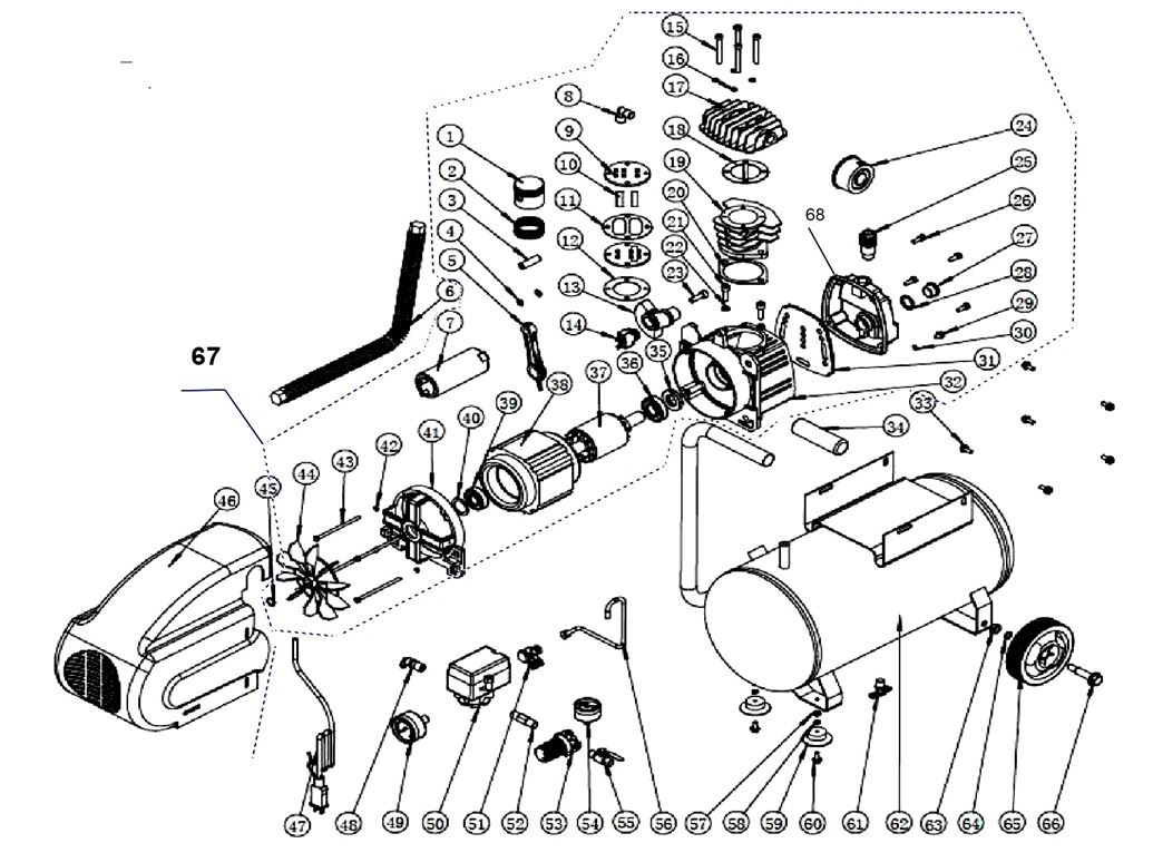
| N | Артикул | Название | Срок отгрузки | Цена | Купить |
| 1 |
0701.020100 |
Поршень(ЗАМЕНА 0701.051600) 47х40-15-12 3-кольца-47х3/1,5/1,5 см.так же 416022004 |
|
216 р. |
|
| 2 |
0701.020200 |
Комплект колец поршневых D.47х1,5х1,5х3 мм |
|
189 р. |
|
| 3 |
0701.020300 |
Палец поршневой D.12х38 мм |
|
164 р. |
|
| 4 |
0701.020400 |
Кольцо стопорное D.12 мм |
|
24 р. |
|
| 5 |
0701.020500 |
Шатун, d12x20, L85. D.01.02.W009. КПМ 200 24.50 |
|
184 р. |
|
| 6 |
0701.020600 |
Воздухопровод приёмный, с радиатором. Резьба d15.4x2. ЗАМЕНА 0701.148900 |
|
720 р. |
|
| 7 |
0701.011600 |
Конденсатор СВВ60 35?F/450В |
|
413 р. |
|
| 8 |
0701.011200 |
Переходник Г-образный R3/8MхG3/8M |
|
107 р. |
|
| 9 |
0701.020900 |
Плита клапанная |
|
360 р. |
|
| 10 |
0701.010600 |
Пластина клапанная 47х10х0.3мм (компл. 2 шт.) КПМ 200\24 Промо (E0503.001.00) |
|
145 р. |
|
| 11 |
0701.021100 |
Прокладка плиты клапанной средняя алюмин. 19х51х73х58х58-4отвхСМ0701.051000 |
|
394 р. |
|
| 12 |
0701.051200 |
Прокладка плиты клапанной нижняя. 51х73-4отвх6-46х46. КПМ 200.360 |
|
240 р. |
|
| 12 |
0701.051201 |
Прокладка плиты клапанной нижняя 50х73-4 отвх6-42х42 мм |
|
– |
|
| 13 |
0701.021300 |
Кривошип (посадка 9-20х12-20х20-шейка Н.45х73 мм, без шпонки) |
|
999 р. |
|
| 14 |
0701.021400 |
Термозащита 7A/250V DC (KUOYUH 88 Series) |
|
149 р. |
|
| 15 |
0701.021500 |
Болт M6х15-45 мм |
|
– |
|
| 16 |
0701.010200 |
Шайба 6х13х2 мм |
|
133 р. |
|
| 17 |
0701.021700 |
Головка цилиндра 64х41х41х35 Rc3/8"-G1/2"=D14,950/P1,337/19-D18,613/P1,588/16--35-F-F |
|
919 р. |
|
| 18 |
0701.021800 |
Прокладка головки цилиндра 63х73-4отвх7-42х42-перекладина |
|
20 р. |
|
| 19 |
0701.021900 |
Цилиндр 47х75Х9Х80Х6Х41Х41х72 |
|
633 р. |
|
| 20 |
0701.022000 |
Прокладка цилиндра D64-2уха-х8 |
|
20 р. |
|
| 21 |
0701.022100 |
Болт M8х25 мм |
|
7 р. |
|
| 22 |
0701.022200 |
Шайба D8 гроверная |
|
48 р. |
|
| 23 |
0701.022300 |
Болт крепления крышки шатуна M8х22 мм (левая резьба) |
|
216 р. |
|
| 24 |
0701.022400 |
Фильтр воздушный в сборе D.01.16.W010 |
|
103 р. |
|
| 25 |
0701.052600 |
Сапун G5/8"-d15,875/P2,309/11--61-М. КПМ 200.360. СМ 0701.022500,0701.062600 0701.075000 |
|
48 р. |
|
| 25 |
0701.022500 |
Сапун G5/8 |
|
– |
|
| 26 |
0701.022600 |
Болт M6х15 мм |
|
– |
|
| 27 |
0701.022700 |
Глазок контроля уровня масла G1/2"-d20,955/P1,814/14--10х18-М, аналог 0702.110190, 0702.045100 |
|
82 р. |
|
| 28 |
0701.022800 |
Прокладка глазка контроля уровня масла 20х26х2 |
|
12 р. |
|
| 29 |
0701.022900 |
Пробка сливная M6х10 мм |
|
3 р. |
|
| 30 |
0701.023000 |
Кольцо уплотнительное D.14х18х2 мм |
|
3 р. |
|
| 31 |
0701.023100 |
Прокладка передней крышки картера резиновая Н=132 |
|
90 р. |
|
| 32 |
0701.023200 |
Картер |
|
1.699 р. |
|
| 33 |
0701.023300 |
Болт M5х16 мм |
|
– |
|
| 34 |
0701.023400 |
Накладка рукоятки (резиновая) |
|
– |
|
| 35 |
0701.023500 |
Сальник 20х40х7 мм |
|
– |
|
| 36 |
0701.012400 |
Подшипник шариковый 6204-RZ 20х47х14 мм |
|
– |
|
| 37 |
0701.023700 |
Ротор 20х36-67х82-15х12-14х37 мм |
|
1.568 р. |
|
| 38 |
0701.023800 |
Статор эл/двигателя 1,5/220В D67-123х123-67*-130 стальной гладкий: КПМ200/24/1,5/220 |
|
4.871 р. |
|
| 39 |
0701.023900 |
Подшипник шариковый 6202-RZ 15х35х11 мм |
|
– |
|
| 40 |
0701.012500 |
Шайба пружинная волнистая 23х28х0,5 |
|
13 р. |
|
| 41 |
0701.024100 |
Крышка задняя D.35х11-135х49 мм, 6202-RZ |
|
735 р. |
|
| 42 |
0701.024200 |
Шайба стопорная D.5 мм |
|
– |
|
| 43 |
0701.024300 |
Болт M5 |
|
– |
|
| 44 |
0701.024400 |
Крыльчатка D.134х14 (10-лопастей) |
|
80 р. |
|
| 45 |
0701.012300 |
Кольцо стопорное D.14 мм |
|
72 р. |
|
| 46 |
0701.024600 |
Кожух защитный эл/дв пластиковый КПМ200 |
|
406 р. |
|
| 47 |
0701.024700 |
Шнур питания |
|
360 р. |
|
| 48 |
0701.013400 |
Клапан предохранительный G1/4. СМ 0701.057400, 0701.024800,КПМ 200_24, 200_50, 210_75В, 250-75, 360 |
|
364 р. |
|
| 49 |
0701.013300 |
Манометр D52, G1/4(D13), 0-12 bar. СМ. 0701.148600 |
|
495 р. |
|
| 50 |
0701.013100 |
Прессостат |
|
1.224 р. |
|
| 51 |
0701.013900 |
Клапан обратный G1/8MхG3/8MхG1/2M (под втулку) |
|
– |
|
| 52 |
0701.013800 |
Фитинг ниппель удлинённый парный 2R1/4"=d13,157/P1,337/19--30-M-M |
|
153 р. |
|
| 53 |
0701.013000 |
Редуктор давления, 3 отв. (11.5х2, 8.5х1). СМ.0701.025300.0701.044900.0701.056800 |
|
394 р. |
|
| 54 |
0701.013200 |
Манометр D42, G1/8(D9.8), 0-12 bar. СМ. 0701.148850 0702.121850 0702.125450 0702.133200 |
|
492 р. |
|
| 55 |
0701.014800 |
Соединение Рапид -клапан быстроразъёмное воздушный R1/4"-d13 AC 300 24(W0503.001.00) |
|
262 р. |
|
| 56 |
0701.025600 |
Трубка отводная |
|
831 р. |
|
| 57 |
0701.025700 |
Гайка М8 |
|
7 р. |
|
| 58 |
0701.022200 |
Шайба D8 гроверная |
|
48 р. |
|
| 59 |
0701.025900 |
Подушка опоры КПМ200/24/50 |
|
84 р. |
|
| 60 |
0701.026000 |
Болт М8х26 |
|
7 р. |
|
| 61 |
0701.014200 |
Клапан дренажный конденсата G1/4". СМ 0701.026100, 0701.058500,КПМ 200_24, 200_50, 250-75, 360_50, 2 |
|
110 р. |
|
| 62 |
0701.036200 |
Ресивер 50 л |
|
8.452 р. |
|
| 63 |
0701.026300 |
Гайка M10 |
|
31 р. |
|
| 64 |
0701.026400 |
Шайба стопорная D.10 мм |
|
10 р. |
|
| 65 |
0701.036500 |
Колесо |
|
– |
|
| 66 |
0701.026600 |
Болт-ось M10-15х34-56 мм |
|
77 р. |
|
| 67 |
0701.023830 |
Двигатель с помпой в сборе КПМ200/24-50 |
|
14.395 р. |
|
| 68 |
0701.023210 |
Крышка картера |
|
997 р. |
|